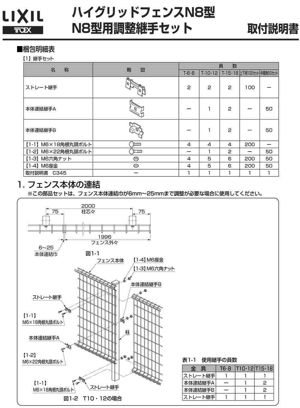
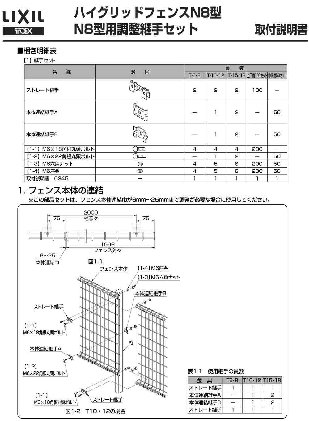
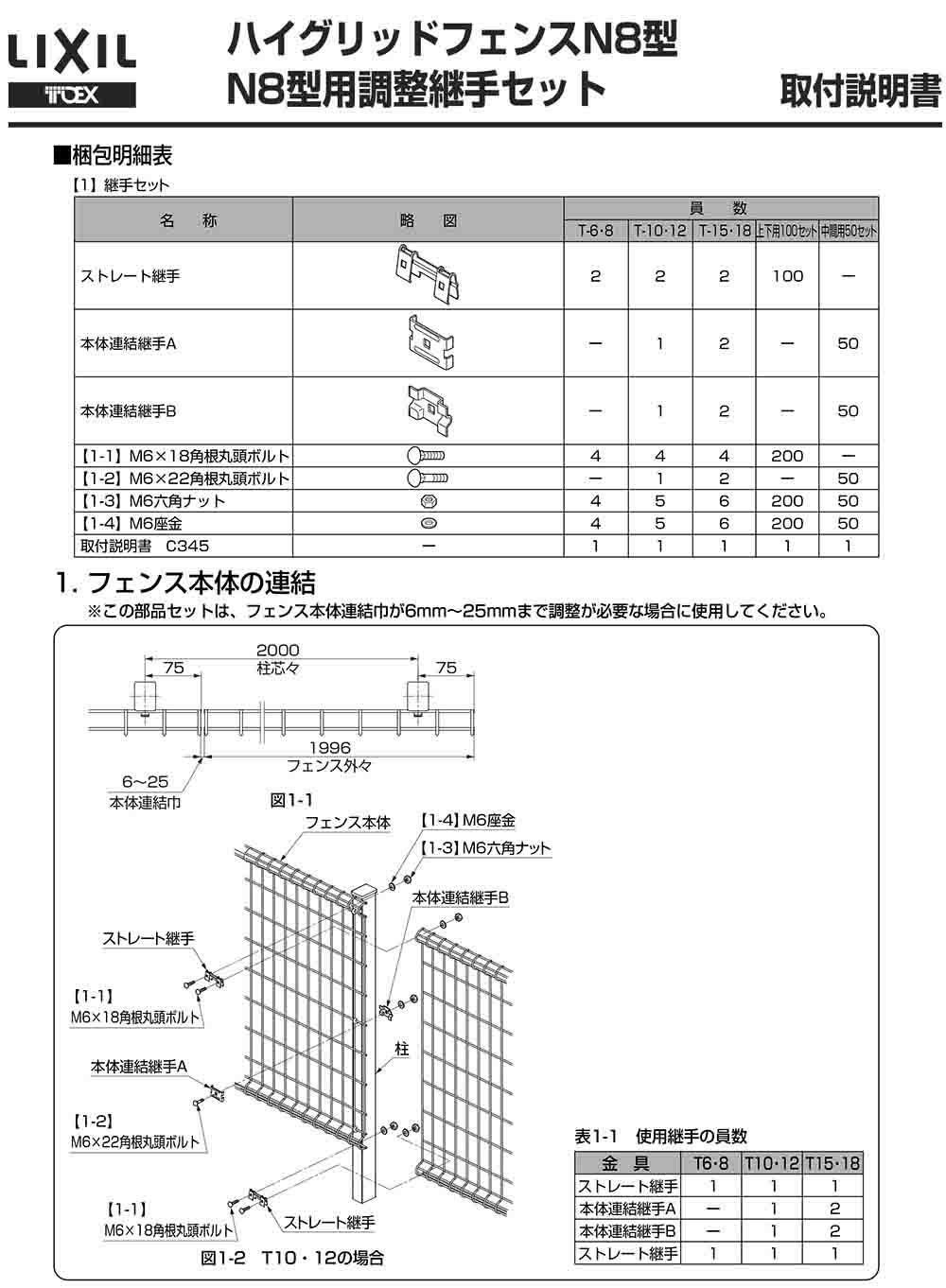
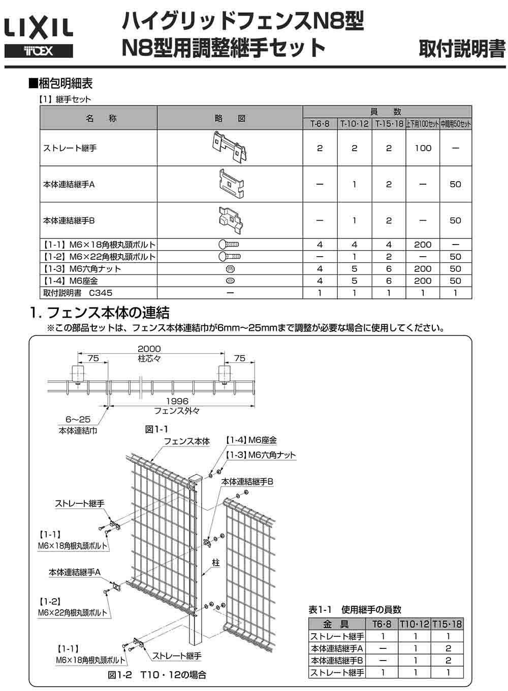
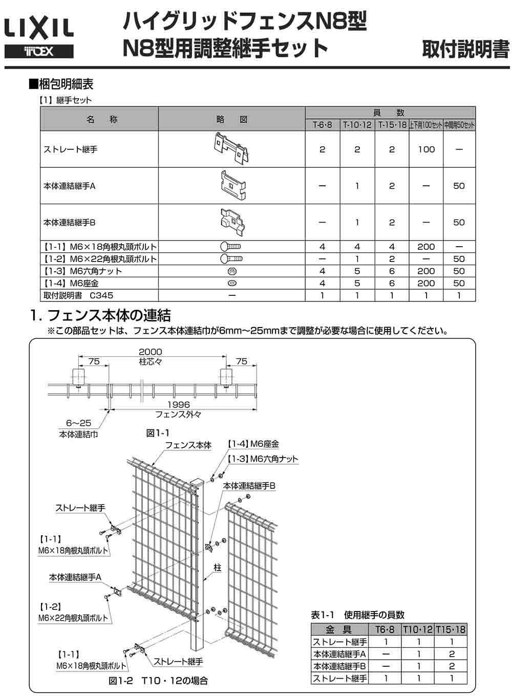
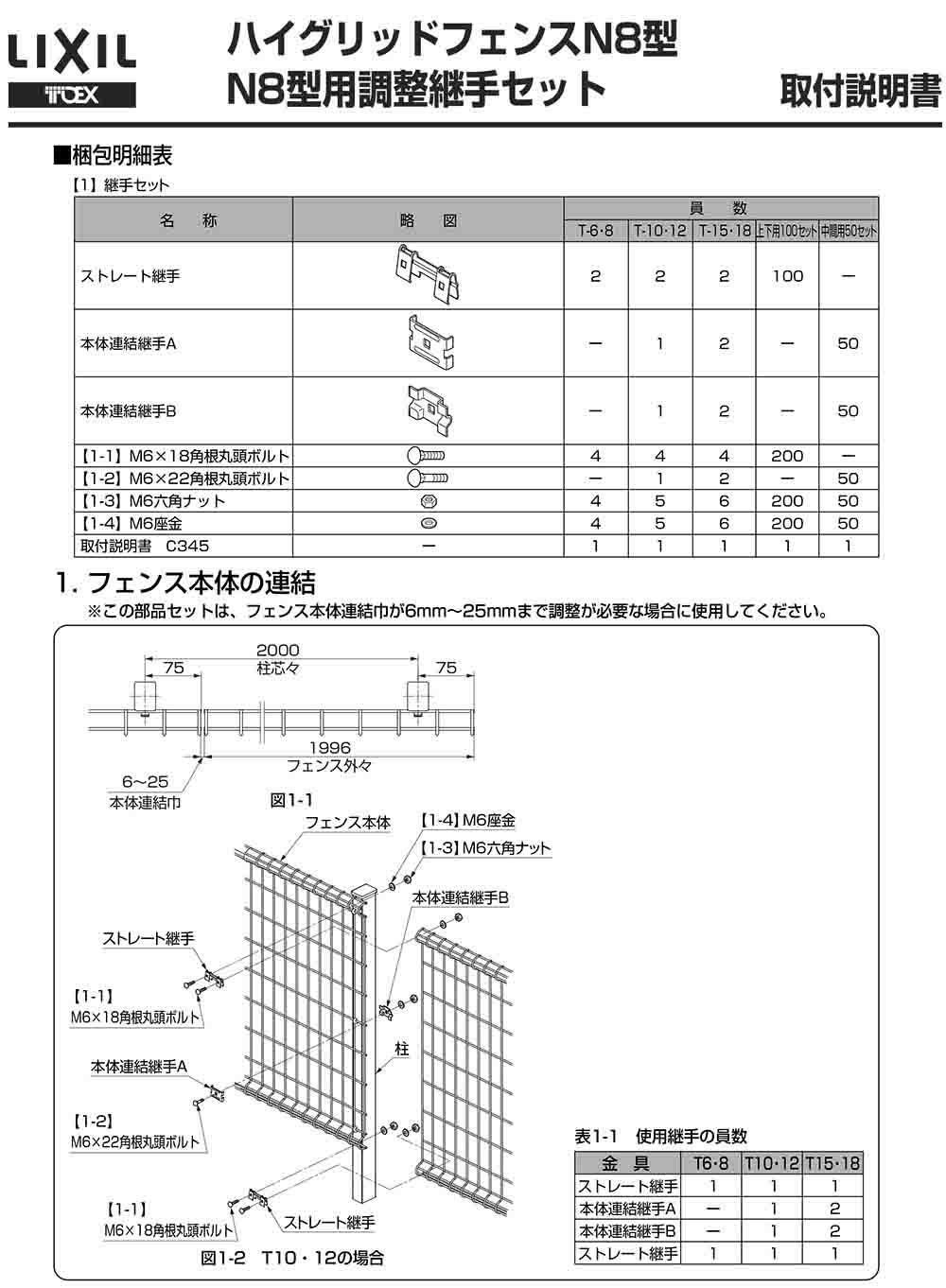
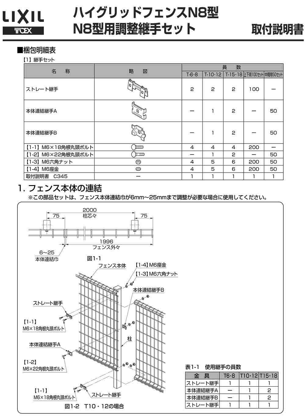
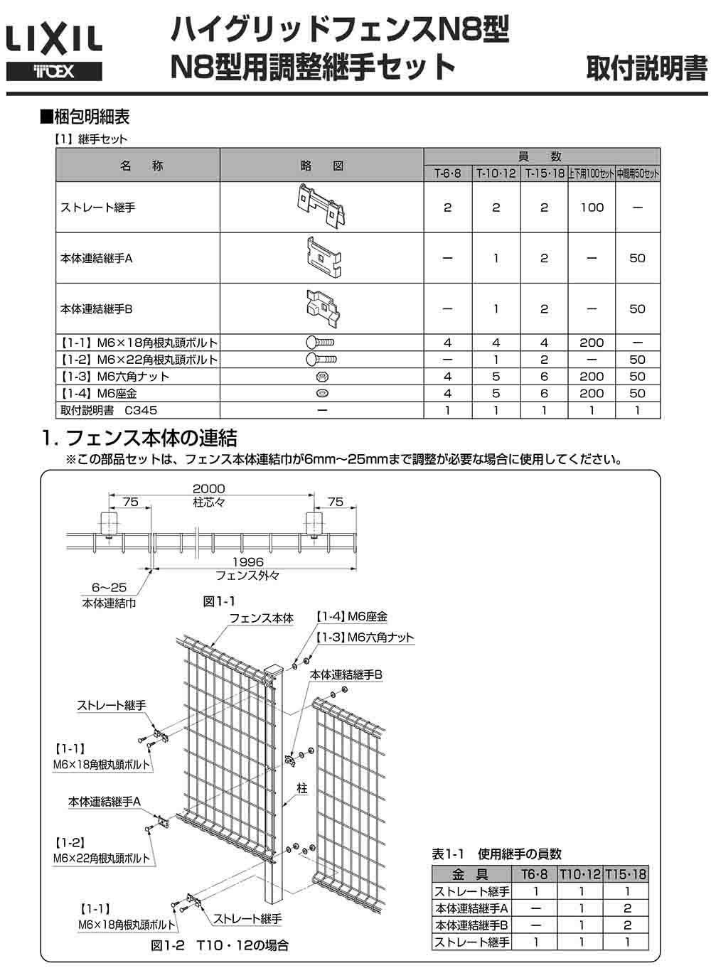
その他フェンス部品Other fence parts
フェンスの困りごと解決!交換用パーツ・DIY補修部品が充実!旧モデルも一部対応お手持ちのフェンスの修理やグレードアップに必要な部品をお探しですか?当ショップでは、リクシル・YKKap・三協アルミなど各メーカー製のエクステリアアルミフェンスをはじめとする各種フェンスに対応した豊富な関連部品を取り扱っております。支柱、連結金具、キャップ、扉の部品など、フェンスの維持や機能向上に欠かせないアイテムを幅広くラインナップ。メーカー廃番の旧型フェンス部材も一部取り扱っております。フェンスの種類やメーカー、必要な部品に合わせて豊富なラインナップからお選びいただけます。図面や商品情報と照らし合わせながら部品を検索でき、ご不明な場合は、専門スタッフが丁寧にご提案いたします。フェンスの設置や補修に必要な部品も多数ご用意。DIY対応製品やプロ施工向け部品など用途に合わせた部品をお選びいただけます。商品の詳細情報はもちろん、取り付け方法・必要工具・注意点も詳しくご案内。安心して部品をお選びいただけます。フェンスの修理から部分的な交換まで、当ショップの豊富な部品がお手伝いいたします。長年ご愛用いただいているフェンスのメンテナンス・機能回復・パーツ補修に、ぜひご活用ください。フェンス関連部品のことなら、ぜひ当店にお任せください。"
その他フェンス部品
売れ筋人気ランキングRANKING
その他フェンス部品
専門スタッフおすすめ商品FEATURED PRODUCTS
日本全国のお客様からご注文をいただき、多くのお客様に選ばれた大人気のその他フェンス部品や、
多数の商品を取り扱う当店が今おすすめしたい厳選ポストをご紹介します。
シンプレオフェンスYL1型と
同デザインの傾斜地用フェンス!
YKKap シンプレオフェンスYL1K型 はYL1型の傾斜地対応タイプで連結も可能です。こちらも風が抜けるルーバーフェンスです。
詳しく見るその他フェンス部品
おすすめメーカーRECOMMEND MAKER
LIXIL
エクステリア商材といえばLIXILと言われるほど大手のアルミメーカー。LIXILは、2011年に国内の主要な建材・設備機器メーカー、トステム、INAX 、新日軽、サンウエーブ工業、東洋エクステリアの5社が統合して誕生しました。
LIXILのフェンスを見る
YKKap
窓やファスナーでおなじみの大手アルミメーカーのYKKapは、材料から製造設備、製品までを自社で開発・生産する「一貫生産思想」に基づき、ねじ一本までこだわって自社内で設計・製造するというこだわりが魅力です。
YKKapのフェンスを見る
三協アルミ
LIXILやYKKapと比べると認知度は低いかもしれませんが、大手アルミメーカーの三協アルミは、得意なアルミ形材を生かしたポストを製造しています。製造・組立まで富山県で行っており、国内製造の安心クオリティが魅力です。
三協アルミのフェンスを見る
四国化成
門扉・フェンス・カーポートなど、エクステリア商材と壁材・舗装材の大手メーカーです。Gマーク(グッドデザイン賞)を受賞した伸縮構造のアコーディオン門扉など独創的な製品の製造を行っています。
四国化成のフェンスを見る
エクステリア
売れ筋人気ランキングRANKING
当店では今人気のシンプルでお洒落なポストやお庭を華やかに演出するお庭の水道には欠かせないおしゃれな立水栓など多数ご用意がございます。
また、近年人気急上昇中の安心、安全な一流メーカーのモダンで美しい宅配ボックスも多数ご用意しておりますので是非ご検討してみて下さい。
-
1位
パナソニック
郵便ポスト クリアスFF
13,400円(税込)
-
2位
ユニソン
スプレスタンド60ソリッド 蛇口2個セット(シルバー)
27,360円(税込)
-
3位
三協アルミ
郵便ポスト SWEポスト
21,950円(税込)
-
4位
ユニソン
スプレスタンド60ソリッド 蛇口2個セット + シャインパン
39,780円(税込)
-
5位
サンガーデンエクステリア
二層板表札【サイズ:120×30mm】
960円(税込)
-
6位
サンガーデンエクステリア
シンプルポストユニット 1型 照明なし本体 T13型ポスト(簡易錠) セット 上入れ前出し
22,600円(税込)
-
7位
サンガーデンエクステリア
タイル表札 TiNa ティナ
7,500円(税込)
-
8位
[ブランド名]
宅配ボックス コンボ ミドルタイプ本体 後出しFR
53,970円(税込)

